| Sign In | Join Free | My xpshou.com |
|
Place of Origin : Zhejiang, China
Brand Name : Nante
Model Number : JM3.2t
MOQ : 1
Price : N/A
Packaging Details : Naked
Delivery Time : Within 2 months
Payment Terms : L/C, T/T
Electric cable Winches with Max. Lifting Load 3.2t
| Place of Origin: | Zhejiang, China |
| Brand Name: | Shuangpeng |
| Model Number: | JM3.2t |
| Certification: | ISO9001:2008 |
| Max. Lifting Load | 3.2t |
| Span | -- |
| Max. Lifting Height | -- |
| Crane Travelling Speed | -- |
| Trolley Travelling Speed | -- |
| Minimum Order Quantity: | 1 |
| Price: | N/A |
| Packaging Details: | Naked |
| Delivery Time: | Within 2 months |
| Payment Terms: | L/C, T/T |
| Supply Ability: | 400 Sets per Year |
Nante manufactures and exports superior quality electric lifting winch for its valuable clients all around the world. We have 18 years of winch manufacture experience, with refined technology. Electric hoisting winch is a device consists of a horizontal cylinder turned back by a crank on which a cable or a rope wind is bound. Winding engines are compact and light weight material handling and lifting equipments, suitable for installation on cranes, davits and s.
Electric Winches are widely used in the following applications:
1. Cranes
2. Davits
3. s
4. Marine
5. Punching driver
6. Construction Site and Port
Features:
1. The final drive gears are made of heat treated carbon steel that provides it a great strength.
2. It has an emergency crank handle.
3. Our product is available in AC and DC models also.
4. The front plate is made of stainless steel that provides a great rust resistance.
5. The die formed base of the equipment helps in quick mounting applications.
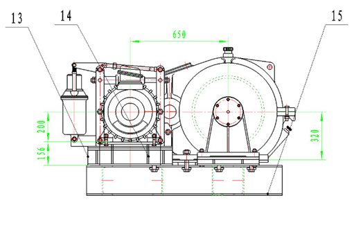
General Drawing or Sketch or Draft Drawing


Technical Data
| Model | JM0.5 | JMl | JM1.5 | JM2 | JM3 | JM5 | JM8 | |
| Max Load (KN) | 5 | 10 | 15 | 20 | 30 | 50 | 80 | |
| Rated Rope Speed (m/min) | 17.5 | 12.5 | 13 | 10.5 | 11.6 | 9.9 | 9.85 | |
| Rope Dia. (mm) | 7.7 | 9.3 | 11 | 13 | 17 | 21.5 | 26 | |
| Length of Rope | 100 | 120 | 120 | 100 | 150 | 250 | 400 | |
| Motor Model | Y90L-6 | Y132S-6 | Y132 Mz-6 | Y132Mz-6 | YZR160Mz-6 | YZRl60L-6 | YZR200L-6 | |
| Power kw | 1.5 | 3 | 5.5 | 5.5 | 7.5 | 11 | 22 | |
| Figure | Length | 765 | 1024 | 1324 | 1260 | 1450 | 1640 | 2160 |
| Width | 720 | 969 | 969 | 900 | 1250 | 7330 | 2110 | |
| Height | 428 | 552 | 552 | 630 | 880 | 880 | 1176 | |
| Total Weight kg | 250 | 460 | 500 | 700 | 908 | 1380 | 2985 | |
|
|
Rust Resistance Electric Hoist Winch / Cable Winches With Max. Lifting Load 3.2t Images |